Edelstahlbehälter 98,5 cbm von Sielmann
  • Edelstahlbehälter 98,5 cbm von Sielmann
  • Edelstahlbehälter 98,5 cbm von Sielmann
  • Edelstahlbehälter 98,5 cbm von Sielmann
  • Edelstahlbehälter 98,5 cbm von Sielmann
  • Edelstahlbehälter 98,5 cbm von Sielmann
  • Edelstahlbehälter 98,5 cbm von Sielmann

Edelstahlbehälter 98,5 cbm


Anfragen

Keine Produkte bisher hinzugefügt

Zur Wunschliste hinzufügen

Menge

4289

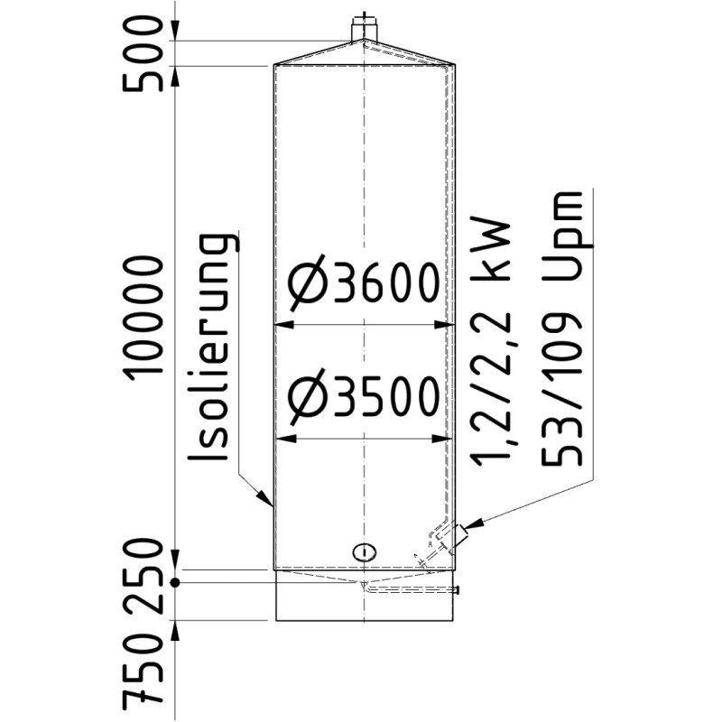
Technische Daten

Inhalt 98,5 cbm
Werkstoff Spezifikation V2A
i. Durchmesser 3500 mm
ä. Durchmesser 3600 mm
zyl. Höhe 10000 mm
oberer Boden 450 mm
unterer Boden 250 mm
Bodenfreiheit 750 mm
Gesamthöhe 11450 mm
Stück 1
Lager Bremen

Besondere Bestellnummern

Ausführung:
zyl. stehend auf Zarge, mit Öffnung DN 500
mit Kegelböden
Propeller-Rührwerk im Zylinder
unten schräg eingebaut
1,2/2,2 kW, 53/109 Upm.
Isolierung um Zylinder und oberen
Boden, Abdeckung VA

Anschlüsse:
1 Mannloch 340 x 440 im Zylinder
Entlüftung Ø 300 im oberen
Boden mittig
mit Sprühkopf
daneben 1 Meßanschluss
Auslauf DN 100 unten mittig, vorgezogen
sowie 3 Meßanschlüsse

Gewicht: ca. 7,2 to